- Titulinis
- Produktai
- Matavimo prietaisai
- Vandens skaitikliai
- Flanšiniai skaitikliai MWN

|
Parametras |
|
|
MWN IP65 T50°C |
||||||||
|
Nominalus diametras |
DN |
mm |
50 |
65 |
80 |
100 |
125 |
150 |
200 |
250 |
300 |
|
Nominalus debitas |
Q3 |
m³/h |
40 |
63 |
100 |
160 |
250 |
400 |
630 |
1000 |
1600 |
|
Maksimalus debitas |
Q4 |
m³/h |
50 |
78,75 |
125 |
200 |
312,5 |
500 |
787,5 |
1250 |
2000 |
|
Pereinamasis debitas |
Q2 |
m³/h |
0,64 |
0,806 |
1 |
1,28 |
2,5 |
3,2 |
8,064 |
16 |
20,48 |
|
Minimalus debitas |
Q1 |
m³/h |
0,4 |
0,504 |
0,625 |
0,8 |
1,563 |
2 |
5,04 |
10 |
12,8 |
|
Jautrumas |
- |
m³/h |
0,15 |
0,2 |
0,25 |
0,25 |
0,5 |
1,0 |
1,5 |
3 |
8 |
|
Santykis Q3 / Q1 |
- |
- |
100 |
125 |
160 |
200 |
160 |
200 |
125 |
100 |
125 |
|
MWN IP65 T130°C |
|||||||||||
|
Nominalus debitas |
Q3 |
m³/h |
25 | 40 |
63 |
100 |
160 |
250 |
400 |
630 |
1000 |
|
Maksimalus debitas |
Q4 |
m³/h |
31,25 | 50 |
78,75 |
125 |
200 |
312,5 |
500 |
787,5 |
1250 |
|
Pereinamasis debitas |
Q2 |
m³/h |
1 | 1,6 |
2,52 |
4 |
6,4 |
10 |
16 |
40,32 |
64 |
|
Minimalus debitas |
Q1 |
m³/h |
0,625 | 1 |
1,575 |
2,5 |
4 |
6,25 |
10 |
25,2 |
40 |
|
Jautrumas |
- |
m³/h |
0,25 | 0,3 |
0,35 |
0,6 |
1,1 |
2 |
4 |
8 |
15 |
|
Santykis Q3 / Q1 |
- |
- |
40 | 40 |
40 |
40 |
40 |
40 |
40 |
25 |
25 |
|
Skaičiavimo mechanizmo apimtis |
- |
m³ |
106 |
107 |
|||||||
|
Mažiausia padala |
- |
m³ |
0,0005 |
0,005 |
0,05 |
||||||
|
Maksimalus slėgis |
Pmax |
MPa |
1,6 |
||||||||
|
Slėgio ribos |
- |
bar |
nuo 0,3 iki 16 |
||||||||
|
Darbo padėtis |
- |
- |
H, V |
||||||||
|
Leidžiama paklaida santykyje Q1 ≤ Q ≤ Q2 |
ɛ |
% |
± 5 |
||||||||
|
Impulsų siųstuvas NK |
- |
dm³/ imp. |
100 (standartinis) |
1000 (standartinis) | |||||||
|
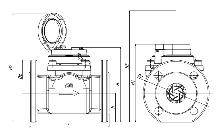
Išmatavimai
|
L |
mm |
200 | 200 | 225 | 250 | 250 | 300 | 350 | 450 | 500 |
|
h |
mm |
72 | 83 |
95 |
105 |
120 |
135 |
160 |
193 |
230 |
|
|
H |
mm |
175,6 | 186,6 |
207,1 |
217,1 |
244,6 |
338,9 |
363,9 |
410,9 |
477,9 |
|
|
H1 |
mm |
180,6 | 191,6 |
212,1 |
222,1 |
249,6 |
343,6 |
368,6 |
415,6 |
482,6 |
|
|
H2 |
mm |
243 | 254 |
274,5 |
284,5 |
312 |
406 |
431 |
478 |
545 |
|
|
Dz |
mm |
165 | 185 |
200 |
220 |
250 |
285 |
340 |
400 |
460 |
|
|
Svoris |
be NK |
kg |
9,9 | 10,6 |
13,3 |
15,6 |
18,1 |
40,1 |
51,1 |
75,1 |
103,1 |
|
su NK |
kg |
10,3 | 11 |
13,7 |
16 |
18,5 |
40,5 |
51,5 |
75,5 |
103,5 |
|




