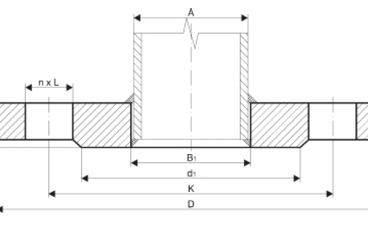
| DN | A | B1 | D | K | d1 | f1 | C1 | L | Kg | Skylės | Varžtai |
| PN6 | |||||||||||
| 65 | 76,1 | 77,5 | 160 | 130 | 110 | 3 | 16 | 14 | 1,86 | 4 | M12 |
| 80 | 88,9 | 90,5 | 190 | 150 | 128 | 3 | 18 | 18 | 2,95 | 4 | M16 |
| 100 | 108 | 109 | 210 | 170 | 148 | 3 | 18 | 18 | 3,3 | 4 | M16 |
| 100 | 114,3 | 116 | 210 | 170 | 148 | 3 | 18 | 18 | 3,26 | 4 | M16 |
| PN10 | |||||||||||
| 200 | 219,1 | 221,5 | 340 | 295 | 268 | 3 | 24 | 22 | 9,27 | 8 | M20 |
| 250 | 273 | 276,5 | 395 | 350 | 320 | 3 | 26 | 22 | 11,8 | 12 | M20 |
| 300 | 323,9 | 327,5 | 445 | 400 | 370 | 4 | 26 | 22 | 13,6 | 12 | M20 |
| 350 | 355,6 | 359,5 | 505 | 460 | 430 | 4 | 30 | 22 | 20,4 | 16 | M20 |
| PN16 | |||||||||||
| 15 | 21,3 | 22 | 95 | 65 | 45 | 2 | 14 | 14 | 0,67 | 4 | M12 |
| 20 | 26,9 | 27,5 | 105 | 75 | 58 | 2 | 16 | 14 | 0,94 | 4 | M12 |
| 25 | 33,7 | 34,5 | 115 | 85 | 68 | 2 | 16 | 14 | 1,11 | 4 | M12 |
| 32 | 42,4 | 43,5 | 140 | 100 | 78 | 2 | 18 | 18 | 1,82 | 4 | M16 |
| 40 | 48,3 | 49,5 | 150 | 110 | 88 | 3 | 18 | 18 | 2,08 | 4 | M16 |
| 50 | 57 | 58 | 165 | 125 | 102 | 3 | 20 | 18 | 2,75 | 4 | M16 |
| 50 | 60,3 | 61,5 | 165 | 125 | 102 | 3 | 20 | 18 | 2,73 | 4 | M16 |
| 65 | 76,1 | 77,5 | 185 | 145 | 122 | 3 | 20 | 18 | 3,16 | 8 | M16 |
| 80 | 88,9 | 90,5 | 200 | 160 | 138 | 3 | 20 | 18 | 3,6 | 8 | M16 |
| 100 | 108 | 109 | 220 | 180 | 158 | 3 | 22 | 18 | 4,4 | 8 | M16 |
| 100 | 114,3 | 116 | 220 | 180 | 158 | 3 | 22 | 18 | 4,39 | 8 | M16 |
| 125 | 133 | 135 | 250 | 210 | 188 | 3 | 22 | 18 | 5,43 | 8 | M16 |
| 125 | 139,7 | 141,5 | 250 | 210 | 188 | 3 | 22 | 18 | 5,41 | 8 | M16 |
| 150 | 159 | 161 | 285 | 240 | 212 | 3 | 24 | 22 | 7,16 | 8 | M20 |
| 150 | 168,3 | 170,5 | 285 | 240 | 212 | 3 | 24 | 22 | 7,14 | 8 | M20 |
| 200 | 219,1 | 221,5 | 340 | 295 | 268 | 3 | 26 | 26 | 9,73 | 12 | M24 |
| 250 | 273 | 276,5 | 405 | 355 | 320 | 3 | 29 | 26 | 14,2 | 12 | M24 |
| 300 | 323,9 | 327,5 | 460 | 410 | 378 | 4 | 32 | 26 | 19 | 12 | M24 |
| 350 | 355,6 | 359 | 520 | 470 | 438 | 4 | 35 | 30 | 28,2 | 16 | M24 |
| 400 | 406,4 | 411 | 580 | 525 | 490 | 4 | 42 | 30 | 35,9 | 16 | M27 |
| 500 | 508 | 513,5 | 715 | 650 | 610 | 4 | 46 | 33 | 64 | 20 | M30 |
Peržiūrėtos prekės
Susisiekite su mumis




