Sklendė rutulinė flanšinė WK2a

Dujos, naftos produktai ir kiti 1 grupės skysčiai pagal Direktyvą 2014/68/ES.

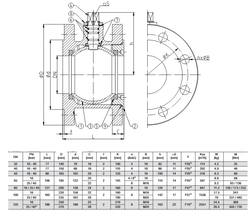
Diametras: DN32 ÷ DN125

Slėgio ir temperatūros sąlygos
16 ÷ 40 Bar
-30ºC ÷ +110ºC

Turime sandėlyje

Susisiekite su mumis
Turite klausimų?
Padėsime Jums visais iškilusiais klausimais.