- Titulinis
- Produktai
- Remontinė armatūra
- Flanšiniai adapteriai
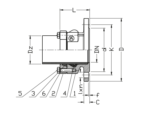
- Flanšinis adapteris PE/PVC atsaprus tempimui

1 Korpusas PN-EN 1560 - Kalusis ketus EN-GJS 500-7
2 Flanšas - Kalusis ketus EN-GJS 500-7 PN-EN 1560
3 Žiedas PN-EN 1412 - Žalvaris CW617N
4 FORSHEDA 575 Žiedas - EPDM guma PN-ISO 1629
5 Varžtas PN-EN ISO 4017 - Nerūdijantis plienas A2
6 Poveržlė - Nerūdijantis plienas A2
| DN | Dz | D PN16 (PN10) | K PN16 (PN10) | d | l x n PN16 (PN10) | f | C | L | Svoris kg |
| 50 | 63 | 165 | 125 | 99 | 19x4 | 3 | 19 | 90 | 3,8 |
| 65 | 75 | 185 | 145 | 118 | 19x4 | 3 | 19 | 93 | 4,3 |
| 80 | 90 | 200 | 160 | 132 | 19x8(4) | 3 | 19 | 95 | 5,5 |
| 100 | 110 | 220 | 180 | 156 | 19x8(4) | 3 | 19 | 95 | 6,5 |
| 100 | 125 | 220 | 180 | 156 | 19x8(4) | 3 | 19 | 102 | 7,2 |
| 125 | 125 | 250 | 210 | 184 | 19x8(4) | 3 | 19 | 100 | 8,3 |
| 150 | 160 | 285 | 240 | 211 | 23x8 | 3 | 19 | 115 | 11,6 |
| 200 | 200 | 340 | 295 | 266 | 23x12(8) | 3 | 20 | 139 | 14,5 |
| 200 | 225 | 340 | 295 | 266 | 23x12(8) | 3 | 20 | 141 | 15,8 |
| 250 | 250 | 400 | 355 (350) | 319 | 28(23)x12 | 3 | 22 | 156 | 22 |
| 250 | 280 | 400 | 355 (350) | 319 | 28(23)x12 | 3 | 22 | 161 | 23 |
| 300 | 315 | 455 | 410 (400) | 370 | 28(23)x12 | 4 | 25 | 180 | 33 |
| 300 | 355 | 455 | 410 (400) | 370 | 28(23)x12 | 4 | 25 | 285 | 55 |
| 400 | 400 | 580 | 525 (515) | 480 | 31(28)x16 | 4 | 25 | 245 | 53 |
| 400 | 450 | 580 | 525 (515) | 480 | 31(28)x16 | 4 | 25 | 315 | 71 |
| 500 | 500 | 715 (670) | 650 (620) | 609 | 34(28)x20 | 4 | 26 | 340 | 90 |
| 500 | 560 | 715 (670) | 650 (620) | 609 | 34(28)x20 | 4 | 26 | 410 | 105 |
| 600 | 630 | 540 (760) | 770 (725) | 720 | 37(31)x20 | 5 | 30 | 478 | 145 |
(mm)


