- Titulinis
- Produktai
- Vamzdynai ir jungtys
- Plieniniai vamdžiai ir virinamos jungtys
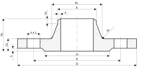
- Flanšas plieninis su kakleliu
| DN | A | D | K | L | H2 | C2 | N1 | H3 | R | s | d1 | f1 | Kg | Skylės | Varžtai |
| PN16 | |||||||||||||||
| 50 | 57 | 165 | 125 | 18 | 45 | 18 | 72 | 8 | 6 | 2,9 | 102 | 3 | 2,53 | 4 | M16 |
| 50 | 60,3 | 185 | 125 | 18 | 45 | 18 | 74 | 8 | 6 | 2,9 | 102 | 3 | 2,53 | 4 | M16 |
| 65 | 76,1 | 200 | 145 | 18 | 45 | 18 | 92 | 10 | 6 | 2,9 | 122 | 3 | 3,03 | 8 | M16 |
| 80 | 88,9 | 220 | 160 | 18 | 50 | 20 | 105 | 10 | 6 | 3,2 | 138 | 3 | 3,92 | 8 | M16 |
| 100 | 108 | 220 | 180 | 18 | 52 | 20 | 125 | 12 | 8 | 3,6 | 158 | 3 | 4,62 | 8 | M16 |
| 100 | 114,3 | 220 | 180 | 18 | 55 | 20 | 131 | 12 | 8 | 3,6 | 158 | 3 | 4,62 | 8 | M16 |
| 125 | 133 | 250 | 210 | 18 | 55 | 22 | 150 | 12 | 8 | 4 | 188 | 3 | 6,3 | 8 | M16 |
| 125 | 139,7 | 250 | 210 | 18 | 55 | 22 | 156 | 12 | 8 | 4 | 188 | 3 | 6,3 | 8 | M16 |
| 150 | 159 | 285 | 240 | 22 | 55 | 22 | 175 | 12 | 10 | 4,5 | 212 | 3 | 7,75 | 8 | M16 |
| 150 | 168,3 | 285 | 240 | 22 | 55 | 22 | 184 | 12 | 10 | 4,5 | 212 | 3 | 7,81 | 8 | M20 |
| 200 | 219,1 | 340 | 295 | 22 | 62 | 24 | 285 | 16 | 10 | 6,3 | 268 | 3 | 11,12 | 12 | M20 |
| PN40 | |||||||||||||||
| 15 | 21,3 | 95 | 65 | 14 | 38 | 16 | 32 | 6 | 4 | 2 | 45 | 2 | 0,77 | 4 | M12 |
| 20 | 26,9 | 105 | 75 | 14 | 40 | 18 | 40 | 6 | 4 | 2,3 | 58 | 2 | 1,09 | 4 | M12 |
| 25 | 33,7 | 115 | 85 | 14 | 40 | 18 | 46 | 6 | 4 | 2,6 | 68 | 2 | 1,3 | 4 | M12 |
| 32 | 42,4 | 140 | 100 | 18 | 42 | 18 | 56 | 6 | 6 | 2,6 | 78 | 2 | 1,91 | 4 | M16 |
| 40 | 48,3 | 150 | 110 | 18 | 45 | 18 | 64 | 7 | 6 | 2,6 | 88 | 3 | 2,15 | 4 | M16 |
| 50 | 57 | 165 | 125 | 18 | 48 | 20 | 72 | 8 | 6 | 2,9 | 102 | 3 | 2,9 | 4 | M16 |
| 50 | 60,3 | 165 | 125 | 18 | 48 | 20 | 75 | 8 | 6 | 2,9 | 102 | 3 | 2,85 | 4 | M16 |
| 65 | 76,1 | 185 | 145 | 18 | 52 | 22 | 90 | 10 | 6 | 2,9 | 122 | 3 | 3,68 | 8 | M16 |
| 80 | 88,9 | 200 | 160 | 18 | 58 | 24 | 105 | 12 | 8 | 3,2 | 138 | 3 | 4,78 | 8 | M16 |
| 100 | 108 | 235 | 190 | 22 | 65 | 24 | 128 | 12 | 8 | 3,6 | 162 | 3 | 4,56 | 8 | M20 |
| 100 | 114,3 | 235 | 190 | 22 | 65 | 24 | 134 | 12 | 8 | 3,6 | 162 | 3 | 6,46 | 8 | M20 |
| 125 | 133 | 270 | 220 | 26 | 68 | 26 | 155 | 12 | 8 | 4 | 188 | 3 | 9,4 | 8 | M24 |
| 125 | 139,7 | 270 | 220 | 26 | 68 | 26 | 162 | 12 | 8 | 4 | 188 | 3 | 8,86 | 8 | M24 |
| 150 | 159 | 300 | 250 | 26 | 75 | 28 | 182 | 12 | 10 | 4,5 | 218 | 3 | 12,1 | 8 | M24 |
| 150 | 168,3 | 300 | 250 | 26 | 75 | 28 | 192 | 12 | 10 | 4,5 | 218 | 3 | 11,7 | 8 | M24 |
Peržiūrėtos prekės
Susisiekite su mumis




