- Titulinis
- Produktai
- Vamzdynai ir jungtys
- Plieniniai vamdžiai ir virinamos jungtys
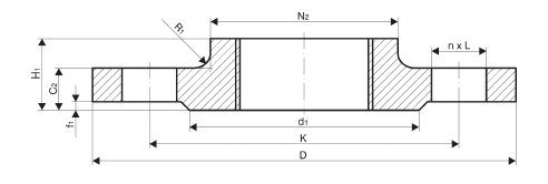
- Flanšas plieninis su sriegiu cinkuotas
| DN | D | K | L | C2 | H1 | N2 | R | d1 | f1 | Kg | Skylės | Varžtai |
| PN16 | ||||||||||||
| 20 x1/2" | 105 | 75 | 14 | 18 | 26 | 45 | 4 | 58 | 2 | 1,04 | 4 | M12 |
| 25 x1" | 115 | 85 | 14 | 18 | 28 | 52 | 4 | 68 | 2 | 1,25 | 4 | M12 |
| 32 x11/4" | 140 | 100 | 18 | 18 | 30 | 60 | 6 | 78 | 2 | 1,81 | 4 | M16 |
| 40x11/2" | 150 | 110 | 18 | 18 | 32 | 70 | 6 | 88 | 2 | 2,06 | 4 | M16 |
| 50x2" | 165 | 125 | 18 | 20 | 28 | 84 | 5 | 102 | 2 | 2,39 | 4 | M16 |
| 65x21/2" | 185 | 145 | 18 | 22 | 32 | 104 | 6 | 122 | 2 | 2,97 | 8 | M16 |
| 80x3" | 200 | 160 | 18 | 24 | 34 | 118 | 6 | 138 | 2 | 3,78 | 8 | M16 |
| 100x4" | 235 | 190 | 22 | 24 | 40 | 140 | 8 | 158 | 2 | 4,38 | 8 | M16 |
Peržiūrėtos prekės
Susisiekite su mumis


